Gå til indhold

For installatører

Skal du ændre, indstille eller færdigmelde installationer? Så læs mere her.

Ved nye fjernvarmekunder etablerer FFV Varme A/S stikledningen og afslutter med hovedhaner umiddelbart inden for ejendommens ydermur.

VVS-installatøren udfører forbindelsen fra hovedhanerne til ejendommens varmeinstallation. 

Ved hovedhanernes indbygges et pasrør, hvor måleren skal sidde (pasrør udleveres ved kontakt til FFV Varme A/S).

Når installationen meldes færdig, monterer FFV Varme A/S afregningsmåleren. 

Hvis der medvirkes ved nytilslutninger, bedes der udfyldt en færdigmeldingsseddel, som returneres til FFV Varme A/S. Du finder tilbagemeldingsblanketten i højre kolonne.

Sådan indstilles varmeinstallationen

 

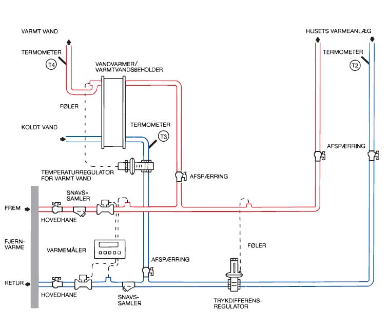
Illustration af direkte varmeanlæg
Direkte anlæg

 

Termostatventiler på radiatorer og gulvvarme stilles så lavt, at returløbet føles koldt, og temperaturen på termometer (T2) ikke er over 30-35 grader C.

Temperaturregulatoren for det varme vand kan ændres op eller ned, såfremt temperaturen på det varme vand ikke findes passende.

Temperaturen på termometer (T4) bør ved forbrug af varmt vand være 45-50 grader C, temperaturen på termometer (T3) bør være omkring 30 grader, men gerne lavere.

Trykdifferensregulatoren er indstillet til at sikre et passende drivtryk i varmeinstallationen. Ved ekstrem kulde kan det blive nødvendigt at skrue lidt op for et større drivtryk.

Varmemåleren er en energimåler, som måler den forbrugte energimængde i ejendommens varmeinstallation i KWh.

Ved et tryk på knappen på energimåleren vises der i displayet forskellige aktuelle data, fx kubikmeter (m³), driftstimer, temperatur frem, temperatur retur, temperaturforskel mellem frem og retur og gennemstrømning af kubikmeter (m³/h). Displayet vender automatisk, efter nogle sekunder, tilbage til visning af energimængden.

Ved fejl i energimåleren vises i displayet en fejlkode, varmeværket skal da straks underrettes herom.

En mere detaljeret betjeningsvejledning til måleren kan rekvireres hos FFV Varme A/S.